EI 37x10(10x10) C/Sep. 60/40% c/pines

COD: 011Z80

El carrete, es fabricado con Poliamida 66 reforzado con fibra de vidrio (PRYDE 011Z80). Otros materiales ó según diseños especiales pueden fabricarse a pedido.

Los carretes con pines permiten su conexión a placas de circuitos impresos (PCB). Material pines: Alambre de aleación CuSn6 (Den. según CDA UNS 519) y recubierto superficialmente con Estaño Sn100. 

Este carrete es compatible con el ferrite E34/14/9 (EE34-10)

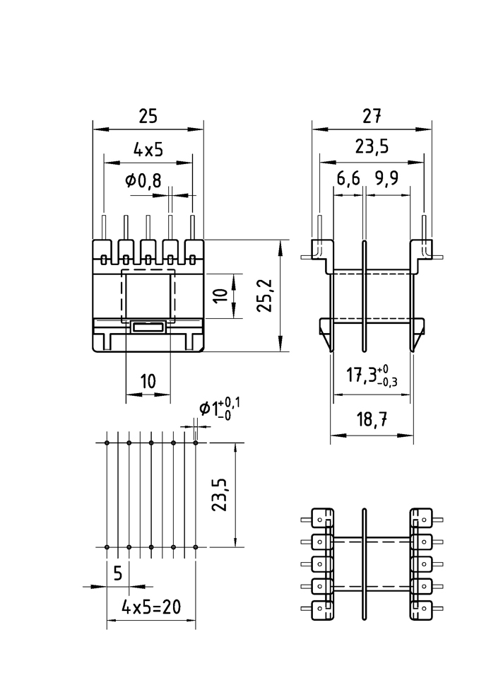
Las medidas están expresadas en mm.

Ver Diagrama
Variantes de este producto Cod.
Producto sin variantes -


011Z80

Tabla de Cálculos por Kilo para Núcleos de Ac Si GNO.
Espesor 0,5 mm | Esmaltado en ambas caras.

Medida carrete
[mm] 

Peso de Núcleo en Kgs
10 0,053

 

 

 

 

 

Accesorios acordes al presente artículo

Altura Área Bobinado 
[mm]

Cinta de Poliéster

Cinta de Papel
6,6 407096 409092
9,9 410096 410092

 

 

 

 

Tipos de Embalajes Aptos para Transporte s/Normas

Caja P81
[AxBxH]         
50x35x35 cms
Vol: 0,061 m3
Caja P82   
[AxBxH]        
34x31x23 cms
Vol: 0,024 m3
Caja P83
[AxBxH]        
36x27x10 cms
Vol: 0,01 m3
Bolsa
 Medida 
 variable
 
Cantidad
 [unidades
] 
 
Peso
Neto
[Kg]
 
Peso
 Bruto
[Kg] 


X   300 1,667 1,902

 

 

 

 


Pryde SRL
Echeverría 330 (B1875ENH) Wilde
Buenos Aires - Argentina
Tel: (+5411) 4207 5155
info ( @ ) pryde.com.ar
Whatsapp Whatsapp: +54 11 3065 5393
  •  


APyMEP
Data Fiscal