EI 60x40(40x40)
COD: 252010
El carrete, según las condiciones de trabajo, puede ser fabricado en Polipropileno reforzado con carga mineral (PRYDE 252010) ó con Poliamida 66 reforzada con fibra de vidrio (PRYDE 252081). Otros materiales ó según diseños especiales pueden fabricarse a pedido.
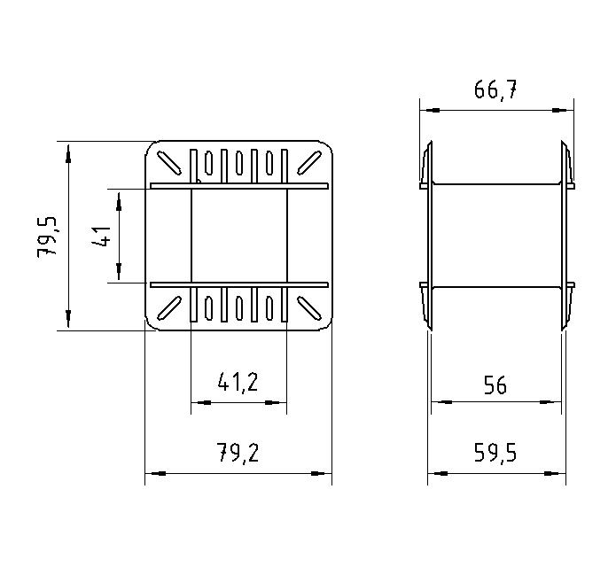
Las medidas están expresadas en mm.
Ver Diagrama
| Variantes de este producto | Cod. |
|---|---|
| Material: Poliamida 6.6. + FV | 252081 |
Tabla de Cálculos por Kilo para Núcleos de Ac Si GNO.
Espesor 0,5 mm | Esmaltado en ambas caras.
|
Medida carrete |
Peso de Núcleo en Kgs |
| 41 | 2,969 |
Accesorios acordes al presente artículo
| Altura Área Bobinado [mm] |
Cinta |
Cinta de Papel |
Tornillo L [mm] |
Tornillo Ø 01 |
Tornillo Código 01 |
| 56 | 453096 | 453092 | 51 | W5/32" | 603062 |
| Buje 01 Ø |
Buje |
Buje 02 Ø |
Buje 02 Código |
| W5/32" | 343021 | W3/16" | 344021 |
Tipos de Embalajes Aptos para Transporte s/Normas
| Caja P81 [AxBxH] 50x35x35 cms Vol: 0,061 m3 |
Caja P82 [AxBxH] 34x31x23 cms Vol: 0,024 m3 |
Caja P83 [AxBxH] 36x27x10 cms Vol: 0,01 m3 |
Bolsa Medida variable |
Cantidad [unidades] |
Peso Neto [Kg] |
Peso Bruto [Kg] |
| X | 175 | 7,7 | 8,32 |




Whatsapp: +54 11 3065 5393

