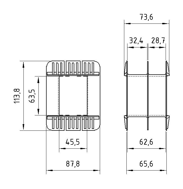
EI 175x63(45x63) C/Sep 53/47%

COD: 332181

El carrete, es fabricado en Poliamida 66 reforzado con fibra de vidrio (PRYDE 332181). Otros materiales ó según diseños especiales pueden fabricarse a pedido.

Las medidas están expresadas en mm.

Ver Diagrama
Variantes de este producto Cod.
Producto sin variantes -


332181

Tabla de Cálculos por Kilo para Núcleos de Ac Si GNO.
Espesor 0,5 mm | Esmaltado en ambas caras.

Medida carrete
[mm] 

Peso de Núcleo en Kgs
63,5 5,681

 

 

 

 

 

Accesorios acordes al presente artículo

Altura
Área
Bobinado
[mm]

Cinta
de
Poliéster

Cinta
de
Papel
Tornillo

[mm]
Tornillo
Ø

01
Tornillo
Código
01
32,4 433096 436092 76 W5/32" 607062
28,7 431096 436092      

 

 

Buje
01 
Ø 

Buje
01
Código 

Buje
02 
Ø 
Buje
02
Código 
W5/32" 343021 W3/16" 344021

 

 

 

 

Tipos de Embalajes Aptos para Transporte s/Normas

Caja P81
[AxBxH]         
50x35x35 cms
Vol: 0,061 m3
Caja P82   
[AxBxH]        
34x31x23 cms
Vol: 0,024 m3
Caja P83
[AxBxH]        
36x27x10 cms
Vol: 0,01 m3
Bolsa
 Medida 
 variable
 
Cantidad
 [unidades
] 
 
Peso
Neto
[Kg]
 
Peso
 Bruto
[Kg] 
X

  80 6 6,62

 

 

 

 


Pryde SRL
Echeverría 330 (B1875ENH) Wilde
Buenos Aires - Argentina
Tel: (+5411) 4207 5155
info ( @ ) pryde.com.ar
Whatsapp Whatsapp: +54 11 3065 5393
  •  


APyMEP
Data Fiscal