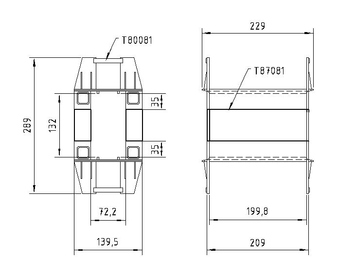
Adaptador 70 X 132 Lam. Trifásica
Los carretes componibles para laminación UI/EI 70 utilizan 2(dos) semicarretes (PRYDE T80081) y 2(dos) adaptadores, que encajan facilmente entre sí.
Para fabricar un carrete componible laminación UI/EI 70 de apilado 130mm se requieren
2 Semicarretes 70 Trifásico (PRYDE T80081)
2 Adaptadores 70x130 Lam. Trifásica (PRYDE T87081)
Los semicarretes y adaptadores están fabricados con Poliamida reforzada con fibra de vidrio.
Ver Diagrama| Variantes de este producto | Cod. |
|---|---|
| Producto sin variantes | - |
Tabla de Cálculos por Kilo para Núcleos de Ac Si GNO.
Espesor 0,5 mm | Esmaltado en ambas caras.
|
Medida carrete |
Tipo de Laminación | Peso de Núcleo en Kgs |
| 132 |
UI EI |
58,84 93,208 |
Accesorios acordes al presente artículo
| Altura Área Bobinado [mm] |
Cinta |
Cinta de Papel |
| 199,8 | 453096 | 472092 |
| Buje 01 |
Buje |
Buje 02 |
Buje 02 |
| W5/16" | 348021 | W3/8" | 346021 |
Tipos de Embalajes Aptos para Transporte s/Normas
| Caja P81 [AxBxH] 50x35x35 cms Vol: 0,061 m3 |
Caja P82 [AxBxH] 34x31x23 cms Vol: 0,024 m3 |
Caja P83 [AxBxH] 36x27x10 cms Vol: 0,01 m3 |
Bolsa Medida variable |
Cantidad [unidades] |
Peso Neto [Kg] |
Peso Bruto [Kg] |
| X | 20 | 1,82 | 2,055 |




Whatsapp: +54 11 3065 5393

