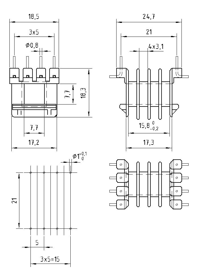
p/ Ferrite E25/13/7 3 Sep. 4x25% c/pines
COD: 002380
El carrete, es fabricado con Poliamida 66 reforzado con fibra de vidrio (PRYDE 002380).
Otros materiales ó según diseños especiales pueden fabricarse a pedido.
Los carretes con pines permiten su conexión a placas de circuitos impresos (PCB).
Material Pines : Alambre de aleación CuSn6 ( Den. según CDA UNS 519 ), y recubierto superficialmente con Estaño Sn100.
Las medidas están expresadas en mm.
Ver Diagrama| Variantes de este producto | Cod. |
|---|---|
| Producto sin variantes | - |




Whatsapp: +54 11 3065 5393

