EI 75x20(19x20) C/Sep. 53/47% c/pines

COD: 008180

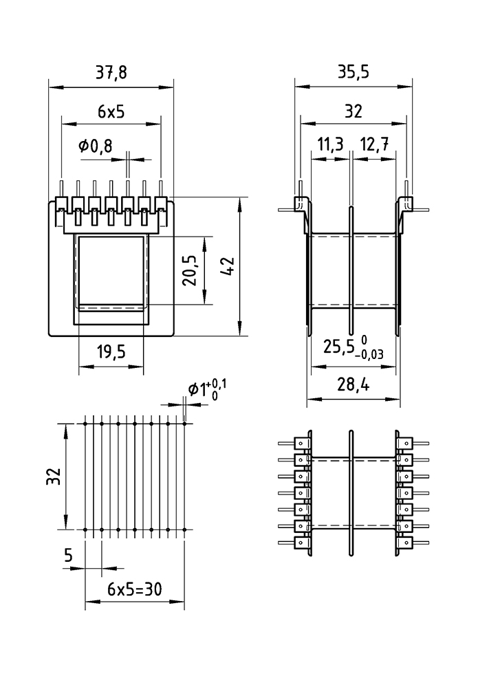
El carrete, es fabricado con Poliamida 66 reforzado con fibra de vidrio (PRYDE 008180).

Otros materiales ó según diseños especiales pueden fabricarse a pedido.

Los carretes con pines permiten su conexión a placas de circuitos impresos (PCB).

Material Pines : Alambre de aleación CuSn6 ( Den. según CDA UNS 519 ), y recubierto superficialmente con Estaño Sn100.

Este carrete es compatible con el ferrite E56/24/19

Las medidas están expresadas en mm.

Ver Diagrama
Variantes de este producto Cod.
Producto sin variantes -


008180

Tabla de Cálculos por Kilo para Núcleos de Ac Si GNO.
Espesor 0,5 mm | Esmaltado en ambas caras.

Medida carrete
[mm] 

Peso de Núcleo en Kgs
20,5 0,331

 

 

 

 

 

Accesorios acordes al presente artículo

Altura Área Bobinado 
[mm]

Cinta de
Poliéster

Cinta de
Papel
Tornillo

[mm]
Tornillo 
Ø
01
Tornillo
Código 01
12,7 415096 415092 32 W5/32" 600062
13,3 415096 415092      

 

 

 

 

Tipos de Embalajes Aptos para Transporte s/Normas

Caja P81
[AxBxH]         
50x35x35 cms
Vol: 0,061 m3
Caja P82   
[AxBxH]        
34x31x23 cms
Vol: 0,024 m3
Caja P83
[AxBxH]        
36x27x10 cms
Vol: 0,01 m3
Bolsa
 Medida 
 variable
 
Cantidad
 [unidades
] 
 
Peso
Neto
[Kg]
 
Peso
 Bruto
[Kg] 

X
  250 2,32 2,676

 

 

 

 


Pryde SRL
Echeverría 330 (B1875ENH) Wilde
Buenos Aires - Argentina
Tel: (+5411) 4207 5155
info ( @ ) pryde.com.ar
Whatsapp Whatsapp: +54 11 3065 5393
  •  


APyMEP
Data Fiscal