EI 75x22(19x22) C/Sep. 53/47% c/pines
COD: 009180
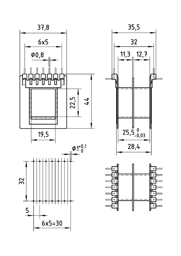
El carrete, es fabricado con Poliamida 66 reforzado con fibra de vidrio (PRYDE 009180).
Otros materiales ó según diseños especiales pueden fabricarse a pedido.
Los carretes con pines permiten su conexión a placas de circuitos impresos (PCB).
Material Pines : Alambre de aleación CuSn6 ( Den. según CDA UNS 519 ), y recubierto superficialmente con Estaño Sn100.
Las medidas están expresadas en mm.
Ver Diagrama| Variantes de este producto | Cod. |
|---|---|
| Material: NUMA - Consultar | 009110 |
Tabla de Cálculos por Kilo para Núcleos de Ac Si GNO.
Espesor 0,5 mm | Esmaltado en ambas caras.
|
Medida carrete |
Peso de Núcleo en Kgs |
| 22,5 | 0,364 |
Accesorios acordes al presente artículo
| Altura Área Bobinado [mm] |
Cinta de |
Cinta de Papel |
Tornillo L [mm] |
Tornillo Ø 01 |
Tornillo Código 01 |
| 12,7 | 415096 | 415092 | 32 | W5/32" | 600062 |
| 13,3 | 415096 | 415092 |
Tipos de Embalajes Aptos para Transporte s/Normas
| Caja P81 [AxBxH] 50x35x35 cms Vol: 0,061 m3 |
Caja P82 [AxBxH] 34x31x23 cms Vol: 0,024 m3 |
Caja P83 [AxBxH] 36x27x10 cms Vol: 0,01 m3 |
Bolsa Medida variable |
Cantidad [unidades] |
Peso Neto [Kg] |
Peso Bruto [Kg] |
| X | 200 | 1,91 | 2,266 |




Whatsapp: +54 11 3065 5393

