EI 111x26(26x26) C/Sep.53/47% p/terminales
COD: S114
El carrete, es fabricado con Poliamida 66 reforzado con fibra de vidrio (PRYDE S114).
Estos carretes se pueden utilizar con distintos tipos de terminales. En particular pueden ser de tipo plano para conexión a placas de circuitos impresos (PCB), o bien de tipo ojal para soldar a un cable conductor.
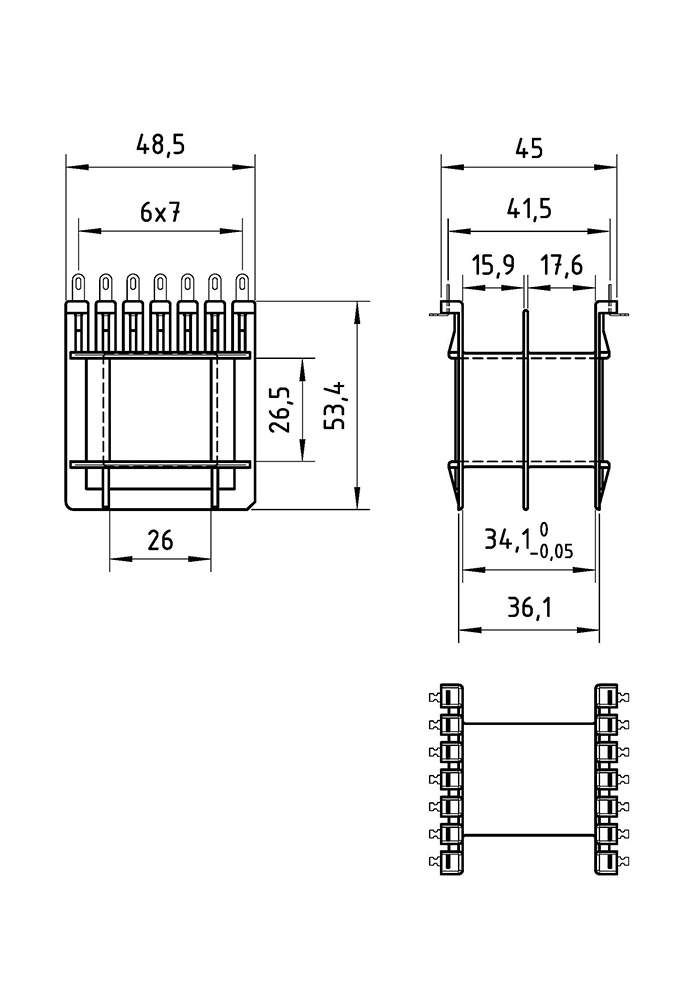
Las medidas están expresadas en mm.
Ver Diagrama| Variantes de este producto | Cod. |
|---|---|
| Producto sin variantes | - |
Tabla de Cálculos por Kilo para Núcleos de Ac Si GNO.
Espesor 0,5 mm | Esmaltado en ambas caras.
|
Medida carrete |
Peso de Núcleo en Kgs |
| 26,5 | 0,768 |
Accesorios acordes al presente artículo
| Altura Área Bobinado [mm] |
Cinta de |
Cinta de Papel |
Tornillo L [mm] |
Tornillo Ø 01 |
Tornillo Código 01 |
| 17,6 | 418096 | 418092 | 38 | W5/32" | 601062 |
| 15,9 | 418096 | 418092 |
Tipos de Embalajes Aptos para Transporte s/Normas
| Caja P81 [AxBxH] 50x35x35 cms Vol: 0,061 m3 |
Caja P82 [AxBxH] 34x31x23 cms Vol: 0,024 m3 |
Caja P83 [AxBxH] 36x27x10 cms Vol: 0,01 m3 |
Bolsa Medida variable |
Cantidad [unidades] |
Peso Neto [Kg] |
Peso Bruto [Kg] |
| X | 560 | 9,602 | 10,222 |




Whatsapp: +54 11 3065 5393

