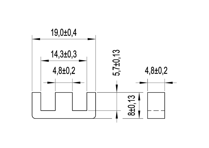
Ferrite Núcleo E 19/8/5
COD: E1985
Los valores expresados debajo, corresponden a un set de dos piezas sin gap. Sin embargo los ferrites tipo E, son suministrados por unidad.
le [Longitud de la Trayectoria Magnética] = 39,6 mm
Ae [Sección Transversal Magnética Efectiva] = 22,5 mm2
Amin [Sección de Conductor Mínimo] = 21,8 mm2
Ve [Volumen Magnético Efectivo] = 891 mm3
Peso = 4,8 g/set
Material : CF139
Al [nH] [Factor de Inductancia] = 1200+30%/-20% (1,0 mT; 1,0 Khz; 25°C)
μiac [Permeabilidad inicial ] = 2100 ± 20%
Pv [W/set] [Pérdida de Potencia] ≤ 0,09 (100 mT; 100 Khz; 100°C)
Ver Diagrama
| Variantes de este producto | Cod. |
|---|---|
| Producto sin variantes | - |




Whatsapp: +54 11 3065 5393

