Ferrite Núcleo E 20/10/6

COD: E20106

Los valores expresados debajo, corresponden a un set de dos piezas sin gap. Sin embargo los ferrites tipo E, son suministrados por unidad.

le [Longitud de la Trayectoria Magnética] = 44,9 mm
Ae [Sección Transversal Magnética Efectiva] = 33,5 mm2
Amin [Sección de Conductor Mínimo] = 31,9 mm2
Ve [Volumen Magnético Efectivo] = 1500 mm3

Peso = 7,0 g/set
Material : CF139

 

Al [nH] [Factor de Inductancia] = 1450+30%/-20% (1,0 mT; 1,0 Khz; 25°C) 
Bmax [mT] [Densidad de Flujo ] > 330 (250 A/m; 16 Khz; 100°C)
Pv [W/set] [Pérdida de Potencia] ≤ 0,15 (100 mT; 100 Khz; 100°C)

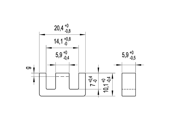
-Ver Plano en Solapa-

El núcleo puede suministrarse con diferentes valores de gap.
Por favor consulte por valores disponibles.

Ver Diagrama
Variantes de este producto Cod.
GAP 0,20 mm E20106/02
GAP 0,50 mm E20106/05



Pryde SRL
Echeverría 330 (B1875ENH) Wilde
Buenos Aires - Argentina
Tel: (+5411) 4207 5155
info ( @ ) pryde.com.ar
Whatsapp Whatsapp: +54 11 3065 5393
  •  


APyMEP
Data Fiscal