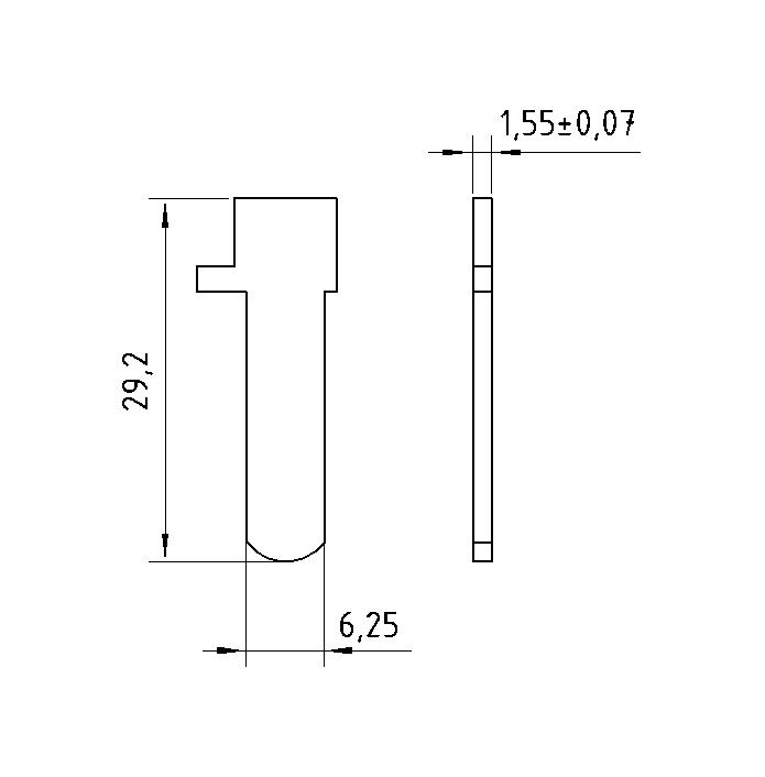
Espiga Nº 01 P/caja fuente plana
COD: 112077
Material : Latón
Recubrimiento : Niquelado soldable
Las medidas están expresdas en mm.
Ver Diagrama| Variantes de este producto | Cod. |
|---|---|
| Producto sin variantes | - |




Whatsapp: +54 11 3065 5393

